Boîtier d'encastrement étanche pour BINOPTIC
Réf. 370PBOX
Piles, kit 1/2
Piles, kit 1/2
DESCRIPTION
Boîtier d'encastrement étanche pour BINOPTIC
Réf. 370PBOX
Produit en cours de développement.
Boîtier d'encastrement étanche pour BINOPTIC 2, kit 1/2 :
Alimentation par piles CR123 Lithium 6 V.
Boîtier d’encastrement étanche :
- Collerette avec joint d’étanchéité.
- Raccordement hydraulique par l’extérieur et maintenance par l’avant.
- Installation modulable (rails, mur plein, panneau).
- Compatible aux parements de 10 à 120 mm (en respectant la profondeur d'encastrement minimum de 83 mm).
- Adaptable tuyaux d’alimentation standard ou "pipe in pipe".
- Robinet d’arrêt et de réglage de débit, filtre et électrovanne intégrés et accessibles par l’avant.
- Robinet BINOPTIC 2 : F1/2".
- Livraison en 2 kits : purge du réseau sécurisée sans élément sensible.
Garantie 30 ans.
À commander avec les plaques de commande de références : 370106 ou 370116.
Alimentation par piles CR123 Lithium 6 V.
Boîtier d’encastrement étanche :
- Collerette avec joint d’étanchéité.
- Raccordement hydraulique par l’extérieur et maintenance par l’avant.
- Installation modulable (rails, mur plein, panneau).
- Compatible aux parements de 10 à 120 mm (en respectant la profondeur d'encastrement minimum de 83 mm).
- Adaptable tuyaux d’alimentation standard ou "pipe in pipe".
- Robinet d’arrêt et de réglage de débit, filtre et électrovanne intégrés et accessibles par l’avant.
- Robinet BINOPTIC 2 : F1/2".
- Livraison en 2 kits : purge du réseau sécurisée sans élément sensible.
Garantie 30 ans.
À commander avec les plaques de commande de références : 370106 ou 370116.
Prix public indicatif HT France 2025 : 145,67 €
AVANTAGES

Installation encastrable dans le mur

Alimentation par piles Lithium 6V

Boîtier 100% étanche
CARACTÉRISTIQUES TECHNIQUES
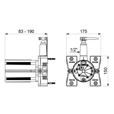
Boîtier d'encastrement étanche pour BINOPTIC
Réf. 370PBOX| Raccordement | F1/2" |
| Hauteur | 150 mm |
| Profondeur | 83 - 190 mm |
| Largeur | 175 mm |
| Normes et certifications |
|
| Garantie | |
VARIANTES
| 370116 | Finition chromée - Bec L.190 mm - Sans boitier d'encastrement | 404,05 € HT | |
|---|---|---|---|
| 370106 | Finition satinée - Bec L.190 mm - Sans boitier d'encastrement | 389,22 € HT |
VARIANTES
| 370116 | Finition chromée - Bec L.190 mm - Sans boitier d'encastrement | 404,05 € HT | |
|---|---|---|---|
| 370106 | Finition satinée - Bec L.190 mm - Sans boitier d'encastrement | 389,22 € HT |